發表時間: 2025-09-26 16:23:11
作者: 石油化工設備維護與檢修網
瀏覽: 80
各類閥門適用范圍
節選自《化工管路設計手冊》8.1.2
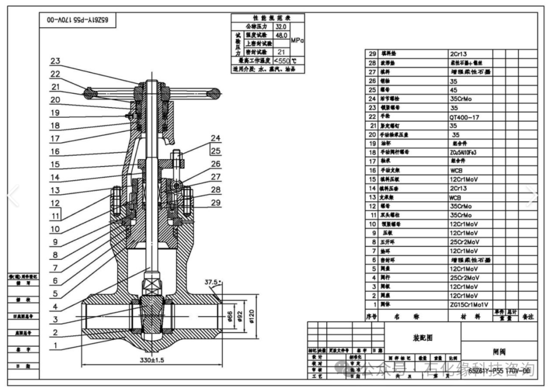
閘閥

閘閥的閘板由閥桿帶動,沿閥座密封面作升降運動,可接通或截斷流體的通路。與截止閥相比,閘閥流動阻力小, 啟閉省力;與球閥和蝶閥相比,閘閥密封可靠性高,生產成本低。因此廣泛用于各種介質管道的啟閉,但當閘閥部分開啟時,在閘板背面產生渦流,易引起閘板的沖蝕和振動,閥座的密封面也易損壞,故一般不作為節流用。與球閥和蝶閥相比,閘閥的開啟時間較長,結構尺寸較大,故不宜用在直徑較大的情況。
適用范圍如下:
① 流體流經閘閥時不改變流向, 當閘閥全開時阻力系數幾乎是所有閥門中最小的, 而且適用的口徑范圍、 壓力溫度范圍都很寬; 與同口徑的截止閥相比安裝尺寸較小, 是化工生產裝置中用得最多的一種類型。
② 閘閥手柄分明桿、 暗桿兩種: 明桿閘閥用于兩套以上相同設備的交替切換時特別有利,其明桿可明顯 標示出閥門的開關情況。
③ 當閘閥半開時,閥芯易產生振動, 所以閘閥只適用于全開或全閉的情況,不適于需要調節流量的場合。
④ 閘閥閥體內有刻槽,所以不適用于含固體微粒的流體,帶吹氣口的閘閥可適用于這種情況。
截止閥

截止閥和節流閥都是向下閉合式閥門,閥瓣由閥桿帶動,沿閥座中心線做升降運動。截止閥與節流閥結構基本相同,只是閥瓣形狀有所不同,截止閥的閥瓣是盤形;節流閥的閥瓣多為圓錐形,可以改變流道截面積,以調節流量和壓力。
適用范圍如下:
① 截止閥是化工裝置廣泛應用的閥型, 它的密封性能可靠,也適于調節流量,一般多裝在泵出口、調節 閥旁路流量計上游等需調節流量之處。
② 流體流經閥芯時改變流向,因而壓力降大,同時易在閥座上沉積固形物, 故不適用于懸浮液。
③ 截止閥與同口徑的閘閥相比,體積較大,因而限制了它的最大口徑 (最大 DN150~DN200) 。
④ Y 形截止閥和角式截止閥與普通直通閥相比,壓力降較小,且角式閥兼有改變流向功能。
⑤ 針形閥也是截止閥的一種,其閥芯為錐形,可用于小流量微調或用作取樣閥。
旋塞/柱塞閥/球閥

旋塞閥的結構簡單,開關迅速,操作方便,流體阻力小,零部件少,重量輕,無滯留流體的閥腔。適用于溫度較低、黏度較大的介質和要求開關迅速的部位,一般不適用于蒸汽和溫度較高的介質。

球閥的閥瓣為一中間有通道的球體,球體繞自身軸線作90°旋轉,達到啟閉目的。與閘閥、截止閥相比,球閥有快速啟閉的特點,流動阻力最小。根據球體結構不同,可分為浮動球和固定球兩種,根據閥座密封結構 不同,球閥有軟密封和硬密封兩種。
使用軟密封的球閥, 其閥門的工作溫度和允許工作壓力相應關系不僅是其相應法蘭系列的壓力-溫度限值, 尚需注意軟密封填料的溫度-壓力額定值。 對可燃、易爆介質用軟密封球閥,要求具有火災安全結構和防靜電 結構,并獲得符合相應標準的火災安全試驗證書。
適用范圍如下:
① 三者功能相似, 都是可以迅速啟閉的閥門,閥芯有橫向開孔,液體直流通過,壓力降小,適用于懸浮 液或黏稠液;閥芯又可做成 L 形或 T 形通道而成為三通、四通閥; 外形規整,易于作成夾套閥用于需保溫的情況,這幾類閥可較方便地制成氣動或電動閥進行遙控。
② 三者的不同在于柱塞閥, 球閥的工作壓力略高。
蝶閥

蝶閥與相同公稱壓力等級的平行式閘閥比較,其尺寸小、重量輕、開關迅速、具有一定的調節功能,適合制成較大口徑和壓力較低的閥門。由于有一定的調節功能,特別適用于大流量調節, 使用溫度受密封材料的限制。
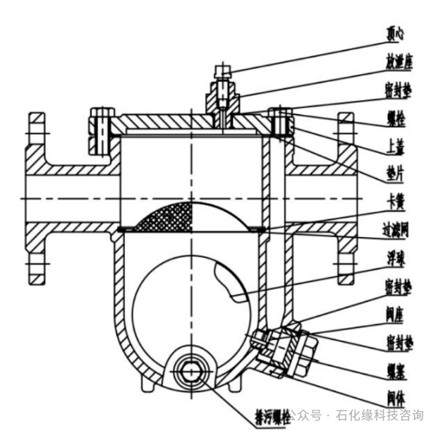
止回閥

止回閥用于自動防止管道內的流體逆向流動,介質順流時閥瓣自動開啟,逆流時閥瓣自動關閉。根據結構不同, 止回閥可分為升降式止回閥、 旋啟式止回閥、 斜盤式止回閥和雙板式止回閥等四種。
一般升降式止回閥應安裝在水平管道上, 除非閥門帶有合適的復位機構。旋啟式止回閥應優先安裝在水平 管道上, 當安裝在垂直管道上時, 流體必須是由下向上流動。 裝止回閥時,應注意介質流動方向與止回閥閥 體上的箭頭方向一致。
止回閥適用范圍如下:
① 止回閥是用以防止流體逆向流動的閥, 用于防止由于流體倒流造成的污染、 溫升或機械損壞。
② 常用的有旋啟式、 升降式和球式三類, 旋啟式直徑比后兩種較大, 可安裝在水平管或垂直管上, 安裝 在垂直管上時流體應自下而上流動; 升降式和球式口徑較小, 且只能安裝在水平管路上。
③ 止回閥只能用以防止突然倒流但密封性能欠佳, 因此對嚴格禁止混合的物料,還應采取其它措施。
④ 離心泵進口為吸上狀態時,為保持泵內液體在進口管端裝設的底閥也是一種止回閥;當容器為敞口時, 底閥可帶濾網。
隔膜閥及管夾閥


隔膜閥的啟閉件是一塊橡膠隔膜,夾于閥體與閥蓋之間。 隔膜中間突出部分固定在閥桿上,閥體內襯有橡膠, 由于介質不進入閥蓋內腔,因此無需填料箱。
隔膜閥結構簡單,密封性能好,便于維修 流體阻力小,適用于溫度小于200℃ 、壓力小于1.0MPa 的油 品、水、酸性介質和含懸浮物的介質。 不適用于有機溶劑和強氧化劑的介質。
適用范圍:
這兩種閥在使用時, 流體只與隔膜或軟管接觸而不觸及閥體其它部位, 特別適用于腐蝕性流體 或黏稠液、 懸浮液等, 但使用范圍受隔膜或軟管的材質所限。
疏水閥
在壓力管道設計中, 疏水閥型式分為機械型、 熱靜力和熱動力型, 常用的疏水閥有倒吊桶式疏水閥、 杠桿浮球式疏水閥、 自由浮球式疏水閥、 雙金屬式疏水閥和圓盤式疏水閥等。
倒吊桶式、 杠桿浮球式及自由浮球式等三種疏水閥屬于機械型疏水閥, 此種疏水閥主要利用蒸汽和凝結水 的密度差, 使其產生的浮力不同, 使浮子升降從而啟閉閥門, 此類疏水閥具有排除空氣能力強、 排液能力大等特點, 適用于蒸汽用量大的加熱設備的疏水, 應安裝在水平管道上。

雙金屬式疏水閥屬熱靜力型疏水閥。 疏水閥的感溫體是雙金屬圓板, 根據凝結水的溫度變化使金屬圓板呈 凸或凹形彎曲, 以此啟閉疏水閥。 此種疏水閥排量大, 體積小, 動作噪聲小, 多用于蒸汽伴熱管道的疏水。

圓盤式疏水閥屬于熱動力型疏水閥, 它是利用蒸汽和凝結水的溫度不同, 使變壓室內的壓力發生變化, 從 而開啟疏水閥。 此種疏水閥結構簡單、 體積小、 維修簡單, 但空氣流入后不能動作。 動作噪聲大、 背壓允許度低、 不能在低壓 (0.03MPa 以下) 使用, 蒸汽有泄漏, 不適用于大排量; 一般安裝在水平管道上。

來源:管道備忘錄